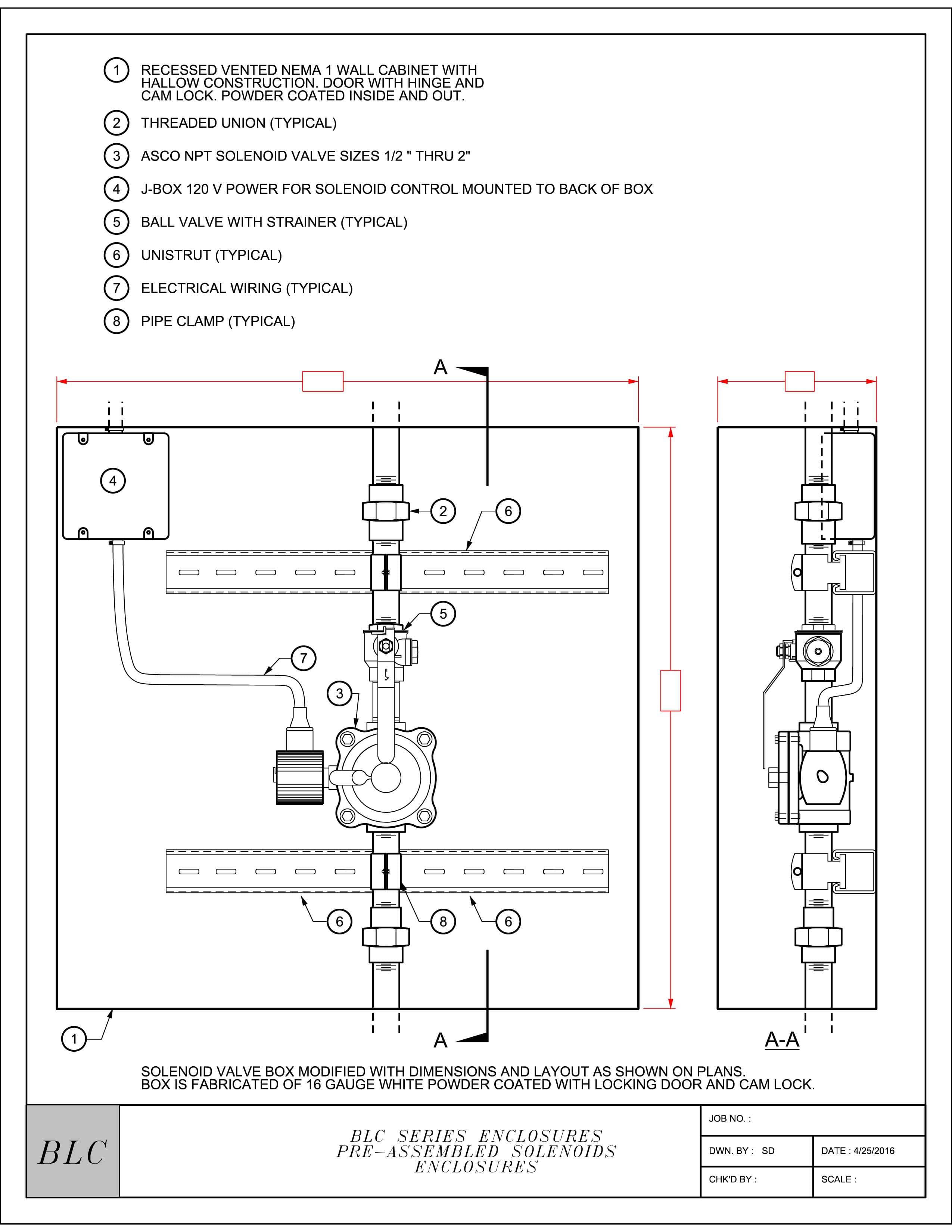
Solenoid Valve Box
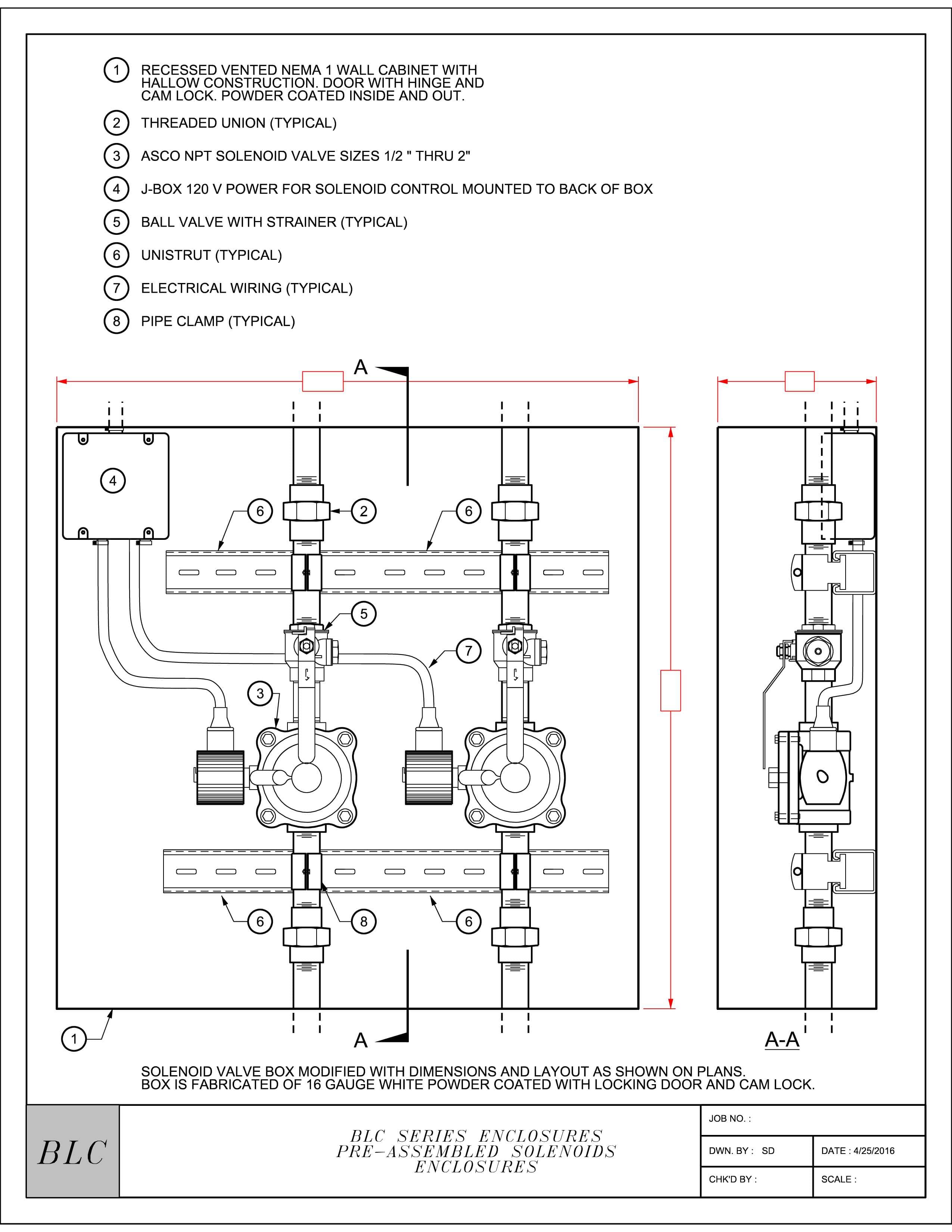
Solenoid Valve Box
Solenoid valve enclosure with key locked louvered door, cooling fan and individual utility switches.

Fan

No Fan

One Valve

Two Valve

Three Valve

Solenoid valve enclosure with key locked louvered door, cooling fan and individual utility switches.





